NEWS CENTER
新闻资讯
|
超声波流量计测量准确度受哪些因素影响?超声波流量计的测量准确度受多种因素的影响,要想确保和提升其测量精度,就要考虑、控制这些影响因素。 1.流体性质 流体的物理性质,如温度、压力、密度和粘度,会直接影响声波在流体中的传播速度和衰减特性,从而影响测量的准确性。 2.流体状态 流体中存在的气泡、颗粒、悬浮物等可能引起声波的散射和吸收,对传播路径和信号强度产生影响,进一步影响测量结果。 3.流体流速 低流速时,可能导致声波信号较弱或失真;高流速时,可能引起湍流,影响传感器的定位,从而影响测量准确性。 4.安装条件 超声波流量计的安装位置、安装选点、管道材质、电磁干扰等因素都会对测量精度产生影响。一般正确的安装位置通常要求上游直管段为10D(D为管道直径),下游直管段为5D。 5.环境条件 环境温度、湿度的变化可能影响超声波传感器的性能,从而影响测量的准确性。特别是在潮湿环境中,如果耦合剂选择不当或失效,会进一步影响测量准确度。 6.超声波流量计设计和质量 超声波流量计的设计、传感器质量以及信号处理算法的优劣都会直接影响测量的准确性。好的超声波流量计通常具有较好的稳定性和抗干扰性。 7.外部干扰 强磁场、电磁干扰和其他外部噪音可能影响超声波传感器的信号质量,从而降低测量的准确性。 8.操作和维护 超声波流量计需要定期检查、维护,以确保其正常工作,同时操作员需要充分理解流量计的工作原理和操作要求,避免误操作导致读数错误。 总之,确保超声波流量计的测量准确度是一个多方面的过程,需要考虑合适的安装位置、管道材质和尺寸、优化流体状态、确保仪器质量、定期校准以及减少外部干扰等因素,并采取相应的预防和调整措施。
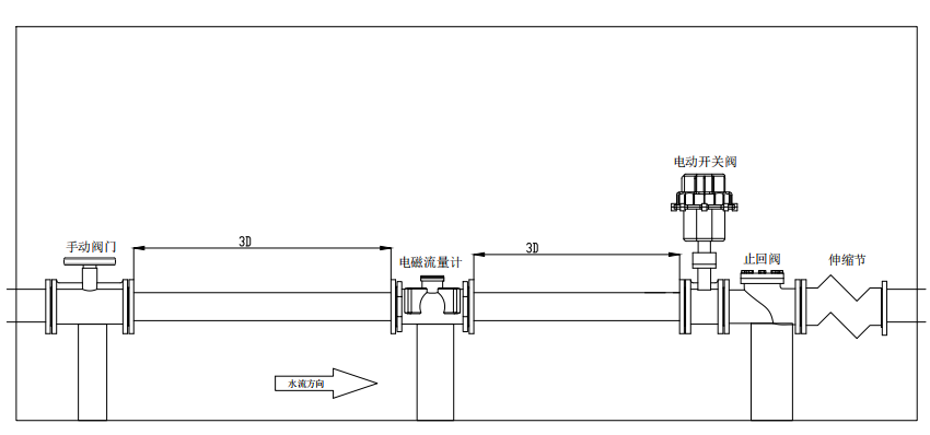
注:手动阀门与电磁流量计安装距离为“3D”;电磁流量计与电动开关阀安装距离为“3D”(D=管段直径)。 管道两侧,选其一侧,安装伸缩节。 注:手动阀门与超声波水表/流量计安装距离为“3D”;超声波水表/流量计与电动开关阀安装距离为“3D”(D=管段直径)。 管道两侧,选其一侧,安装伸缩节。 |
